| ※페이지 하단에서 인증서 및 도면을 다운로드 받을 수 있습니다. | |||||||||||||||||||||||||||||||||||||||||||||||||||||||||||||||||||||||||||||||||||||||||||
| 버저 Buzzer |
|||||||||||||||||||||||||||||||||||||||||||||||||||||||||||||||||||||||||||||||||||||||||||
| S | H | - | M | B | - | 6 | 0 | 1 | 1 | ||||||||||||||||||||||||||||||||||||||||||||||||||||||||||||||||||||||||||||||||||
|
|
|||||||||||||||||||||||||||||||||||||||||||||||||||||||||||||||||||||||||||||||||||||||||||
| SungHo | Type | 취부구경 | 정격 Rating |
||||||||||||||||||||||||||||||||||||||||||||||||||||||||||||||||||||||||||||||||||||||||
| MB | : | Mechanical | 60 : ϕ65 | 11 | : | AC 110V | |||||||||||||||||||||||||||||||||||||||||||||||||||||||||||||||||||||||||||||||||||||
| EB | : | Electrical | 61 : 노출 | 22 | : | AC 220V | |||||||||||||||||||||||||||||||||||||||||||||||||||||||||||||||||||||||||||||||||||||
| 30 : ϕ30 | 24 | : | DC 12~24V | ||||||||||||||||||||||||||||||||||||||||||||||||||||||||||||||||||||||||||||||||||||||||
| 25 : ϕ25 | 25 | : | DC 110~125V | ||||||||||||||||||||||||||||||||||||||||||||||||||||||||||||||||||||||||||||||||||||||||
| 12 | : | AC 110~220V | |||||||||||||||||||||||||||||||||||||||||||||||||||||||||||||||||||||||||||||||||||||||||
| F | : | AC/DC 110~220V | |||||||||||||||||||||||||||||||||||||||||||||||||||||||||||||||||||||||||||||||||||||||||
| 기계식버저 Mechanical type buzzer | |||||||||||||||||||||||||||||||||||||||||||||||||||||||||||||||||||||||||||||||||||||||||||
| 형명 Type | SH-MB-6011 | SH-MB-6022 | SH-MB-2511 SH-MB-3011 |
SH-MB-2522 SH-MB-3022 |
|||||||||||||||||||||||||||||||||||||||||||||||||||||||||||||||||||||||||||||||||||||||
| 설치외경 Panel cut-out |
ϕ65 | SH-MB-25모델 ϕ25 / SH-MB-30모델 ϕ30 | |||||||||||||||||||||||||||||||||||||||||||||||||||||||||||||||||||||||||||||||||||||||||
| 정격전압 Rating voltage |
AC 110V 50/60Hz | AC 220V 50/60Hz | AC 110V 50/60Hz | AC 220V 50/60Hz | |||||||||||||||||||||||||||||||||||||||||||||||||||||||||||||||||||||||||||||||||||||||
| 소비전력 Power consumption |
8W | 7.5W | 4W | 4W | |||||||||||||||||||||||||||||||||||||||||||||||||||||||||||||||||||||||||||||||||||||||
| 음량 Volume |
80dB | 80dB | |||||||||||||||||||||||||||||||||||||||||||||||||||||||||||||||||||||||||||||||||||||||||
| 절연저항 Insulation resistance |
100MΩ (DC 500V MΩ 절연저항계) min. 100MΩ at DC500V | ||||||||||||||||||||||||||||||||||||||||||||||||||||||||||||||||||||||||||||||||||||||||||
| 내전압 Dielectric strength |
AC 1,000V 1분간 (충전부-비충전부) Between live part and non-live part | ||||||||||||||||||||||||||||||||||||||||||||||||||||||||||||||||||||||||||||||||||||||||||
| 사용주위온도 Ambient temperature |
-10˚C ~ 55˚C | ||||||||||||||||||||||||||||||||||||||||||||||||||||||||||||||||||||||||||||||||||||||||||
| 사용주의습도 Ambient humidity |
45 ~ 85% R.H. | ||||||||||||||||||||||||||||||||||||||||||||||||||||||||||||||||||||||||||||||||||||||||||
| 전자식버저 Electrical type buzzer | |||||||||||||||||||||||||||||||||||||||||||||||||||||||||||||||||||||||||||||||||||||||||||
| 형명 Type | SH-EB-60F | SH-EB-2512 SH-EB-3012 |
SH-EB-2524 SH-EB-3024 |
SH-EB-2525 SH-EB-3025 |
|||||||||||||||||||||||||||||||||||||||||||||||||||||||||||||||||||||||||||||||||||||||
| 설치외경 Panel cut-out |
ϕ65 | SH-MB-25모델 ϕ25 / SH-MB-30모델 ϕ30 | |||||||||||||||||||||||||||||||||||||||||||||||||||||||||||||||||||||||||||||||||||||||||
| 정격전압 Rating voltage |
AC 110~220V 50/60Hz DC 110~220V |
AC 110~220V 50/60Hz | DC 12~24V | DC 110~125V | |||||||||||||||||||||||||||||||||||||||||||||||||||||||||||||||||||||||||||||||||||||||
| 소비전력 Power consumption |
4W | 4W | 4W | 4W | |||||||||||||||||||||||||||||||||||||||||||||||||||||||||||||||||||||||||||||||||||||||
| 음량 Volume |
80dB | 70dB | |||||||||||||||||||||||||||||||||||||||||||||||||||||||||||||||||||||||||||||||||||||||||
| 절연저항 Insulation resistance |
100MΩ (DC 500V MΩ 절연저항계) min. 100MΩ at DC500V | ||||||||||||||||||||||||||||||||||||||||||||||||||||||||||||||||||||||||||||||||||||||||||
| 내전압 Dielectric strength |
AC 1,000V 1분간 (충전부-비충전부) Between live part and non-live part | ||||||||||||||||||||||||||||||||||||||||||||||||||||||||||||||||||||||||||||||||||||||||||
| 사용주위온도 Ambient temperature |
-10˚C ~ 55˚C | ||||||||||||||||||||||||||||||||||||||||||||||||||||||||||||||||||||||||||||||||||||||||||
| 사용주의습도 Ambient humidity |
45 ~ 85% R.H. | ||||||||||||||||||||||||||||||||||||||||||||||||||||||||||||||||||||||||||||||||||||||||||
| 노출형버저 Exposure type buzzer | |||||||||||||||||||||||||||||||||||||||||||||||||||||||||||||||||||||||||||||||||||||||||||
| 형명 | SH-MB-6111 | SH-MB-6122 | SH-EB-61F | ||||||||||||||||||||||||||||||||||||||||||||||||||||||||||||||||||||||||||||||||||||||||
| 정격전압 Rating voltage |
AC 110V 50/60Hz | AC 220V 50/60Hz | AC 110 ~ 220V 50/60Hz | ||||||||||||||||||||||||||||||||||||||||||||||||||||||||||||||||||||||||||||||||||||||||
| 소비전력 Power consumption |
8W | 7.5W | 4W | ||||||||||||||||||||||||||||||||||||||||||||||||||||||||||||||||||||||||||||||||||||||||
| 음량 Volume |
75dB | 80dB | |||||||||||||||||||||||||||||||||||||||||||||||||||||||||||||||||||||||||||||||||||||||||
| 절연저항 Insulation resistance |
100MΩ (DC 500V MΩ 절연저항계) min. 100MΩ at DC500V | ||||||||||||||||||||||||||||||||||||||||||||||||||||||||||||||||||||||||||||||||||||||||||
| 내전압 Dielectric strength |
AC 1,000V 1분간 (충전부-비충전부) Between live part and non-live part | ||||||||||||||||||||||||||||||||||||||||||||||||||||||||||||||||||||||||||||||||||||||||||
| 사용주위온도 Ambient temperature |
-10˚C ~ 55˚C | ||||||||||||||||||||||||||||||||||||||||||||||||||||||||||||||||||||||||||||||||||||||||||
| 사용주의습도 Ambient humidity |
45 ~ 85% R.H. | ||||||||||||||||||||||||||||||||||||||||||||||||||||||||||||||||||||||||||||||||||||||||||
| 외형치수도 & 판넬가공치수 Dimensions & Panel cutout dimensions | |||||||||||||||||||||||||||||||||||||||||||||||||||||||||||||||||||||||||||||||||||||||||||
| 외형치수 Dimensions |
판넬가공치수 Panel cutout |
||||||||||||||||||||||||||||||||||||||||||||||||||||||||||||||||||||||||||||||||||||||||||
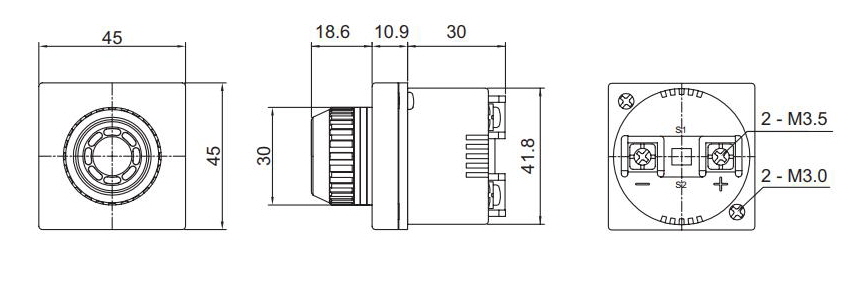
| 25 series | ![]() |
![]() |
![]() |
||||||||||||||||||||||||||||||||||||||||||||||||||||||||||||||||||||||||||||||||||||||||
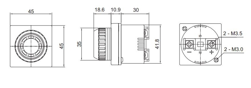
| 30 Series | ![]() |
![]() |
![]() |
||||||||||||||||||||||||||||||||||||||||||||||||||||||||||||||||||||||||||||||||||||||||
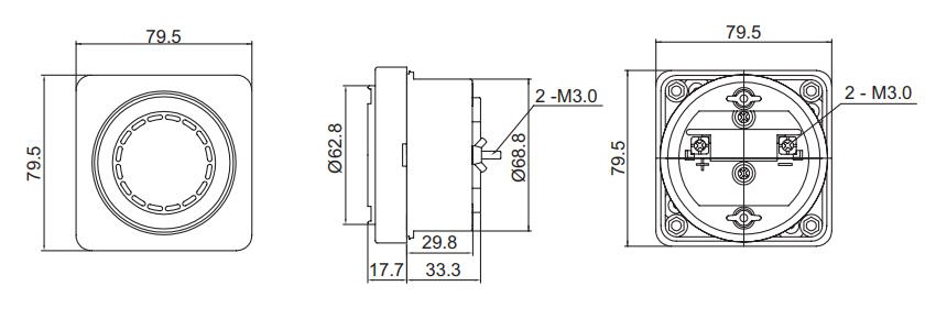
| 60 series | ![]() |
![]() |
![]() |
||||||||||||||||||||||||||||||||||||||||||||||||||||||||||||||||||||||||||||||||||||||||
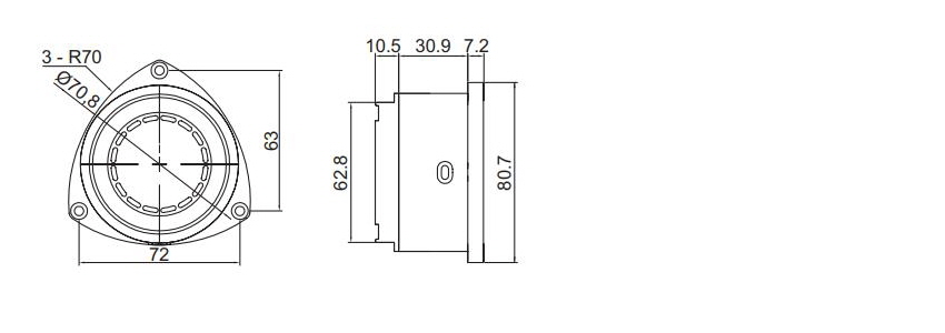
| 61 series | ![]() |
![]() |
![]() |
||||||||||||||||||||||||||||||||||||||||||||||||||||||||||||||||||||||||||||||||||||||||
| 도면 | |||||||||||||||||||||||||||||||||||||||||||||||||||||||||||||||||||||||||||||||||||||||||||
| 준비중 | |||||||||||||||||||||||||||||||||||||||||||||||||||||||||||||||||||||||||||||||||||||||||||
quality certification
품질인증












