| ※페이지 하단에서 인증서 및 도면을 다운로드 받을 수 있습니다. | ||||||||||||||||||||||||||||||||||||||||||||||||||||||||||||||||||||||||||||||
| 10A 조립식 2단 단자대 10A Assembly Terminal Block 2 Stage |
||||||||||||||||||||||||||||||||||||||||||||||||||||||||||||||||||||||||||||||
| S | H | - | T | B | - | 1 | 0 | A | W | |||||||||||||||||||||||||||||||||||||||||||||||||||||||||||||||||||||
| SungHo | 조립식단자대 Assembly Teminal Block |
정격 Rating |
2 단 2 stage |
|||||||||||||||||||||||||||||||||||||||||||||||||||||||||||||||||||||||||||
| 전기적특성 / 적용압착단자 Electric characteristics / Applicable terminal sizes | ||||||||||||||||||||||||||||||||||||||||||||||||||||||||||||||||||||||||||||||
| 형명 Type | SH-TB-10AW | |||||||||||||||||||||||||||||||||||||||||||||||||||||||||||||||||||||||||||||
| 정격절연전압 | Rating insulation voltage | Max 600VAC | ||||||||||||||||||||||||||||||||||||||||||||||||||||||||||||||||||||||||||||
| 정격전류 | Rating current | 250VAC 10A | ||||||||||||||||||||||||||||||||||||||||||||||||||||||||||||||||||||||||||||
| 절연저항 | Insulation resistance | 100MΩ 이상 (DC 500V MΩ 절연저항계) min 100MΩ at DC 500V | ||||||||||||||||||||||||||||||||||||||||||||||||||||||||||||||||||||||||||||
| 내전압 | Dielectric strength | 2000VAC 50/60Hz 1min | ||||||||||||||||||||||||||||||||||||||||||||||||||||||||||||||||||||||||||||
| 온도상승 | Temperature rise | Max. 45℃ (주위 온도 한도 40℃) | ||||||||||||||||||||||||||||||||||||||||||||||||||||||||||||||||||||||||||||
| 적용적합전선 | Ration suitable wire | 1.25mm2 | ||||||||||||||||||||||||||||||||||||||||||||||||||||||||||||||||||||||||||||
| 연결단자 | e | Min 4.5 mm | ![]() |
|||||||||||||||||||||||||||||||||||||||||||||||||||||||||||||||||||||||||||
| f | Min ϕ3.1 | |||||||||||||||||||||||||||||||||||||||||||||||||||||||||||||||||||||||||||||
| w | Max 6.0 mm | |||||||||||||||||||||||||||||||||||||||||||||||||||||||||||||||||||||||||||||
| l | Min 15.7 mm | |||||||||||||||||||||||||||||||||||||||||||||||||||||||||||||||||||||||||||||
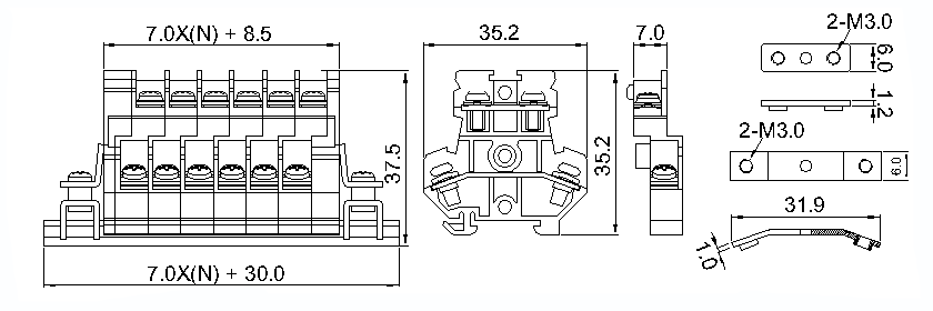
| 외형치수 Dimensions | ||||||||||||||||||||||||||||||||||||||||||||||||||||||||||||||||||||||||||||||
![]() |
||||||||||||||||||||||||||||||||||||||||||||||||||||||||||||||||||||||||||||||
| 상세 도면은 하단의 링크를 이용해 주시기 바랍니다. Details on the bellow. | ||||||||||||||||||||||||||||||||||||||||||||||||||||||||||||||||||||||||||||||
| 부품재질 Part materials | ||||||||||||||||||||||||||||||||||||||||||||||||||||||||||||||||||||||||||||||
| 부품 Part | 재질 Materials | |||||||||||||||||||||||||||||||||||||||||||||||||||||||||||||||||||||||||||||
| 몸체 Body | 폴리카보네이드 Polycarbonate resin | |||||||||||||||||||||||||||||||||||||||||||||||||||||||||||||||||||||||||||||
| 단자 Terminal | 황동 Brass | |||||||||||||||||||||||||||||||||||||||||||||||||||||||||||||||||||||||||||||
| 볼트 Bolt | SWCH-10A, STS(Option) | |||||||||||||||||||||||||||||||||||||||||||||||||||||||||||||||||||||||||||||
| 커버 Cover | 폴리카보네이드 Polycarbonate resin | |||||||||||||||||||||||||||||||||||||||||||||||||||||||||||||||||||||||||||||
| 인증서 | 도면 | |||||||||||||||||||||||||||||||||||||||||||||||||||||||||||||||||||||||||||||
| CE | 다운로드 | |||||||||||||||||||||||||||||||||||||||||||||||||||||||||||||||||||||||||||||
quality certification
품질인증


