| ※페이지 하단에서 인증서 및 도면을 다운로드 받을 수 있습니다. | ||||||||||||||||||||||||||||||||||||||||||||||||||||||||||||||||||||||||||||||||||||||||||||||||
| 릴레이-신호전달용 MY Sequence relay, MY |
||||||||||||||||||||||||||||||||||||||||||||||||||||||||||||||||||||||||||||||||||||||||||||||||
| S | H | R | - | M | Y | - | 2 | S | N | - | 2 | 2 | 0 | A | ||||||||||||||||||||||||||||||||||||||||||||||||||||||||||||||||||||||||||||||||||
|
|
|
|||||||||||||||||||||||||||||||||||||||||||||||||||||||||||||||||||||||||||||||||||||||||||||||
| SungHo | Relay | MY Series | 극수 Poles |
서지방지형 Surge check |
||||||||||||||||||||||||||||||||||||||||||||||||||||||||||||||||||||||||||||||||||||||||||||
| 2S : 2극 | 무기호 No mark |
: |
없음 None |
|||||||||||||||||||||||||||||||||||||||||||||||||||||||||||||||||||||||||||||||||||||||||||||
| 4S : 4극 | ||||||||||||||||||||||||||||||||||||||||||||||||||||||||||||||||||||||||||||||||||||||||||||||||
| X1 X1 |
: |
서지방지형 Surge Check |
||||||||||||||||||||||||||||||||||||||||||||||||||||||||||||||||||||||||||||||||||||||||||||||
| 극수 Poles |
단자구조 Terminal |
동작표시 Indicator |
형명 Type |
Code | Voltage | |||||||||||||||||||||||||||||||||||||||||||||||||||||||||||||||||||||||||||||||||||||||||||
| 6A | AC 6V | |||||||||||||||||||||||||||||||||||||||||||||||||||||||||||||||||||||||||||||||||||||||||||||||
| 2극 2 Poles |
소켓형 Plug-in |
![]() |
무기호 : 없음 Without |
SHR-MY-2S | 12A | AC 12V | ||||||||||||||||||||||||||||||||||||||||||||||||||||||||||||||||||||||||||||||||||||||||||
| 24A | AC 24V | |||||||||||||||||||||||||||||||||||||||||||||||||||||||||||||||||||||||||||||||||||||||||||||||
| N : 있음 With lamp |
SHR-MY-2SN | 48A | AC 48V | |||||||||||||||||||||||||||||||||||||||||||||||||||||||||||||||||||||||||||||||||||||||||||||
| ※적용소켓 SH-RS-MY-2 |
110A | AC 110V | ||||||||||||||||||||||||||||||||||||||||||||||||||||||||||||||||||||||||||||||||||||||||||||||
| N : 있음 With lamp |
SHR-MY-2SN-X1 | 220A | AC 220V | |||||||||||||||||||||||||||||||||||||||||||||||||||||||||||||||||||||||||||||||||||||||||||||
| 6D | DC 6V | |||||||||||||||||||||||||||||||||||||||||||||||||||||||||||||||||||||||||||||||||||||||||||||||
| 4극 4 Poles |
소켓형 Plug-in |
![]() |
무기호 : 없음 Without |
SHR-MY-4S | 12D | DC 12V | ||||||||||||||||||||||||||||||||||||||||||||||||||||||||||||||||||||||||||||||||||||||||||
| 24D | DC 24V | |||||||||||||||||||||||||||||||||||||||||||||||||||||||||||||||||||||||||||||||||||||||||||||||
| N : 있음 With lamp |
SHR-MY-4SN | 110D | DC 110V | |||||||||||||||||||||||||||||||||||||||||||||||||||||||||||||||||||||||||||||||||||||||||||||
| ※적용소켓 SH-RS-MY-4 |
||||||||||||||||||||||||||||||||||||||||||||||||||||||||||||||||||||||||||||||||||||||||||||||||
| N : 있음 With lamp |
SHR-MY-4SN-X1 | |||||||||||||||||||||||||||||||||||||||||||||||||||||||||||||||||||||||||||||||||||||||||||||||
| 정격 및 성능 Rating and Performance | ||||||||||||||||||||||||||||||||||||||||||||||||||||||||||||||||||||||||||||||||||||||||||||||||
| 조작코일정격 Operating Coil Ratings |
AC 코일 AC Coil |
전압 Rated Voltage | 6V | 12V | 24V | 48V | 110V | 220V | ||||||||||||||||||||||||||||||||||||||||||||||||||||||||||||||||||||||||||||||||||||||||
| 전류 Current | 50 Hz | 229mA | 114mA | 57.8mA | 27.7mA | 14.4mA | 7.2mA | |||||||||||||||||||||||||||||||||||||||||||||||||||||||||||||||||||||||||||||||||||||||||
| 60 Hz | 190mA | 95mA | 48mA | 23mA | 12mA | 6mA | ||||||||||||||||||||||||||||||||||||||||||||||||||||||||||||||||||||||||||||||||||||||||||
| 저항 Resistance | 12.2Ω | 46Ω | 180Ω | 788Ω | 3,750Ω | 12,950Ω | ||||||||||||||||||||||||||||||||||||||||||||||||||||||||||||||||||||||||||||||||||||||||||
| DC 코일 DC Coil |
전압 Rated Voltage | 6V | 12V | 24V | 48V | 110V | ||||||||||||||||||||||||||||||||||||||||||||||||||||||||||||||||||||||||||||||||||||||||||
| 전류 Current | 150mA | 75mA | 36.9mA | 18.5mA | 10mA | |||||||||||||||||||||||||||||||||||||||||||||||||||||||||||||||||||||||||||||||||||||||||||
| 저항 Resistance | 40Ω | 160Ω | 650Ω | 2,600Ω | 11,000Ω | |||||||||||||||||||||||||||||||||||||||||||||||||||||||||||||||||||||||||||||||||||||||||||
| 사용전압 Operating(Pick-up) Voltage |
코일정격전압의 80~110% 80~110% of the coil rated voltage |
|||||||||||||||||||||||||||||||||||||||||||||||||||||||||||||||||||||||||||||||||||||||||||||||
| 복귀전압 Release Voltage |
AC | 코일정격전압의 30%이하 Less than 30% of the coil rated voltage |
||||||||||||||||||||||||||||||||||||||||||||||||||||||||||||||||||||||||||||||||||||||||||||||
| DC | 코일정격전압의 10%이하 Less than 10% of the coil rated voltage |
|||||||||||||||||||||||||||||||||||||||||||||||||||||||||||||||||||||||||||||||||||||||||||||||
| 소비전력 Power Comsumption |
AC | 약 0.9~1.3W (60Hz) About 0.9~1.3W at 60Hz | ||||||||||||||||||||||||||||||||||||||||||||||||||||||||||||||||||||||||||||||||||||||||||||||
| DC | 약 0.9VA About 0.9VA | |||||||||||||||||||||||||||||||||||||||||||||||||||||||||||||||||||||||||||||||||||||||||||||||
| 성능 Performance |
복귀전압 Max. operating cycles |
기계적 Mechanical |
18,000회/시 18,000 cycles/hr. |
|||||||||||||||||||||||||||||||||||||||||||||||||||||||||||||||||||||||||||||||||||||||||||||
| 전기적 Electrical |
1800회/시 1800 cycles/hr. |
|||||||||||||||||||||||||||||||||||||||||||||||||||||||||||||||||||||||||||||||||||||||||||||||
| 동작시간 Operating(Pick-up) time | 20ms 이하 Max. 20ms | |||||||||||||||||||||||||||||||||||||||||||||||||||||||||||||||||||||||||||||||||||||||||||||||
| 복귀시간 Release time | 20ms 이하 Max. 20ms | |||||||||||||||||||||||||||||||||||||||||||||||||||||||||||||||||||||||||||||||||||||||||||||||
| 접촉저항 Contact Resistance | 50MΩ 이하 Max. 50MΩ | |||||||||||||||||||||||||||||||||||||||||||||||||||||||||||||||||||||||||||||||||||||||||||||||
| 절연저항 Insulation resistance | 100MΩ 이상(DC500V MΩ 절연저항계) min.100MΩ at DC500V | |||||||||||||||||||||||||||||||||||||||||||||||||||||||||||||||||||||||||||||||||||||||||||||||
| 내전압 Dielectirc strength |
충전부간 Between live part |
AC 1,000V 50/60Hz 1min | ||||||||||||||||||||||||||||||||||||||||||||||||||||||||||||||||||||||||||||||||||||||||||||||
| 비충전부간 Between non-live part |
AC 2,000V 50/60Hz 1min | |||||||||||||||||||||||||||||||||||||||||||||||||||||||||||||||||||||||||||||||||||||||||||||||
| 내진동 Vibration protection |
10~55Hz 복진폭 1.0mm | |||||||||||||||||||||||||||||||||||||||||||||||||||||||||||||||||||||||||||||||||||||||||||||||
| 내충격 Mechanical shock protection |
내구 | 1000m/s2 (약100G) | ||||||||||||||||||||||||||||||||||||||||||||||||||||||||||||||||||||||||||||||||||||||||||||||
| 오동작 | 200m/s2 (약20G) 이상 | |||||||||||||||||||||||||||||||||||||||||||||||||||||||||||||||||||||||||||||||||||||||||||||||
| 수명 Lifetimes |
기계적 Mechanical |
20만회 이상 0.2mil. operations |
||||||||||||||||||||||||||||||||||||||||||||||||||||||||||||||||||||||||||||||||||||||||||||||
| 전기적 Electrical |
500만회 이상 5mil. operations |
|||||||||||||||||||||||||||||||||||||||||||||||||||||||||||||||||||||||||||||||||||||||||||||||
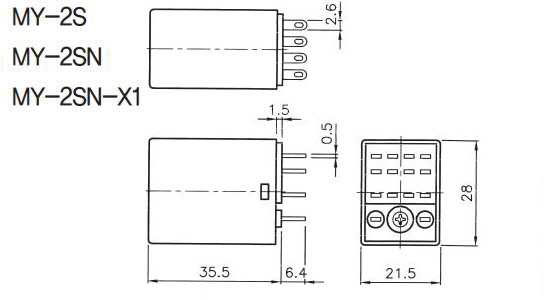
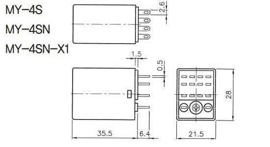
| 외형치수도 Dimensions, mm | ||||||||||||||||||||||||||||||||||||||||||||||||||||||||||||||||||||||||||||||||||||||||||||||||
![]() |
![]() |
|||||||||||||||||||||||||||||||||||||||||||||||||||||||||||||||||||||||||||||||||||||||||||||||
| 소켓 설치시 치수 | ||||||||||||||||||||||||||||||||||||||||||||||||||||||||||||||||||||||||||||||||||||||||||||||||
![]() |
![]() |
|||||||||||||||||||||||||||||||||||||||||||||||||||||||||||||||||||||||||||||||||||||||||||||||
| ※ 진동에 의한 탈락이 생기지 않도록 릴레이 고정쇠로 확실하게 고정하여 사용해주시기 바랍니다. | ||||||||||||||||||||||||||||||||||||||||||||||||||||||||||||||||||||||||||||||||||||||||||||||||
| 접속도 Circuit diagrams | ||||||||||||||||||||||||||||||||||||||||||||||||||||||||||||||||||||||||||||||||||||||||||||||||
![]() |
||||||||||||||||||||||||||||||||||||||||||||||||||||||||||||||||||||||||||||||||||||||||||||||||
![]() |
||||||||||||||||||||||||||||||||||||||||||||||||||||||||||||||||||||||||||||||||||||||||||||||||
| 인증서 | 도면 | |||||||||||||||||||||||||||||||||||||||||||||||||||||||||||||||||||||||||||||||||||||||||||||||
| UL | 다운로드 | |||||||||||||||||||||||||||||||||||||||||||||||||||||||||||||||||||||||||||||||||||||||||||||||
quality certification
품질인증








